◆ Model:YE60 YE100 YE150
◆ Use: Membrane box pressure gauge is also called micro pressure gauge. It is suitable for measuring the low micro-pressure of gases or vapors without explosion danger, non-crystallization, non-condensation, and non-corrosive effect on copper and copper alloy.
◆ Technical Parameters:
|
Model Number |
YE60 |
YE100 |
YE150 |
|
|
Nominal Diameter |
Φ60 |
Φ100 |
Φ150 |
|
|
Mounting Type |
Ⅰ |
* |
* |
* |
|
Ⅱ |
/ |
* |
* |
|
|
Ⅲ |
* |
/ |
/ |
|
|
Ⅳ |
/ |
* |
* |
|
|
Ⅴ |
* |
/ |
/ |
|
|
Connector Thread |
M14×1.5 |
M20×1.5 |
||
|
Accuracy Class |
1.6;2.5 |
|||
|
Measurement Range (kPa) |
-40~0 -25~0 -16~0 -10~0 -6~0 -4~0 0~4 0~6 0~10 0~16 0~25 0~40 -2~2 -3~3 -5~5 -8~8 -12~12 -20~20 |
|||
|
Environmental Conditions Of Use |
Temp:-25℃~55℃; Relative Humidity:≤80% |
|||
|
Vibration Rating |
V·H·2 |
|||
|
Membrane Box Material |
QSn4-0.3 |
|||
|
Protection Class |
IP54 |
|||
|
Implementation Standards |
JB/T 9274 |
|||
|
Note: 1. Joint threads can be customized according to user requirements. |
||||
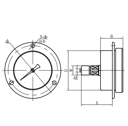
◆ External Dimensions:
|
Radial direct type (Ⅰ) |
Axial eccentric direct type (Ⅱ) |
|
Axial concentric direct type (III) |
Axial eccentric insert type (IV) |
|
Axial concentric insertion type (V) |
Radial convex type (VI) |
|
Model Number |
Overall Dimensions(mm) |
||||||
|
A |
B |
C |
D |
E |
d2 |
M |
|
|
YE60-Ⅰ |
58 |
35 |
11 |
φ60 |
5 |
φ4 |
M10×1 |
|
YE60-Ⅲ |
58 |
35 |
/ |
φ60 |
5 |
φ4 |
M10×1 |
|
|
|
|
|
|
|
|
|
|
YE100-Ⅰ |
93 |
50 |
16.5 |
Φ100 |
16.5 |
φ6 |
M20×1.5 |
|
YE100-Ⅲ |
85 |
50 |
/ |
Φ100 |
16.5 |
φ6 |
M20×1.5 |
|
|
|
|
|
|
|
|
|
|
YE150-Ⅰ |
118 |
53 |
18.5 |
φ150 |
19 |
φ6 |
M20×1.5 |
|
YE150-Ⅲ |
96 |
53 |
/ |
φ150 |
19 |
φ6 |
M20×1.5 |
|
|
|
|
|
|
|
|
|
English
русский
Español
عربى

























