◆ Model: YLm60 YLm100 YLm150
◆ Application: This series of instruments are special instruments for detecting low temperature or special refrigerant medium, mainly used in air conditioning refrigerator, water chiller, air dryer or assembling refrigerant meter group system.
It can also make different refrigerant multi-labeling panels according to customers' requirements, and there are many kinds of caps and cases (Swiss style) for customers to choose.
Due to the optimized connector design and the special considerations in the selection of welding materials and pressure sensing components, this series of products has excellent characteristics of anti-leakage, anti-pressure pulse and anti-vibration, so the quality of the instrument is greatly improved, and the malfunction and loss of the refrigeration system due to product quality problems are eliminated.
◆ Technical Parameters:
|
Model Number |
YLm60 |
YLm100 |
YLm150 |
|
|
Nominal Diameter |
Φ60 |
Φ100 |
Φ150 |
|
|
Mounting Type |
Ⅰ |
* |
* |
* |
|
Ⅱ |
* |
* |
* |
|
|
Ⅲ |
* |
/ |
/ |
|
|
Ⅳ |
* |
* |
* |
|
|
Ⅴ |
* |
/ |
/ |
|
|
Ⅵ |
* |
* |
* |
|
|
Connector Thread |
M14×1.5 |
M20×1.5 |
||
|
Accuracy Class |
2.5 |
1.6 |
||
|
Measurement range (MPa) |
low voltage:(-30~0 …… 15)kG, 1.8MPa oppressive:(0~35)kG, 3.8MPa |
|||
|
Media type specification |
R134a、R22a、R404a、R407a |
|||
|
Environmental conditions of use |
temp:-20℃~60℃; relative humidity:≤ 80 % |
|||
|
vibration rating |
V·H·3 |
|||
|
protection class |
IP54 |
|||
|
Implementation standards |
GB/T 1226 |
|||
|
Note: 1. Joint threads can be customized according to user requirements. |
||||
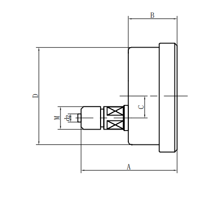
◆ External Dimensions:
|
Radial direct type (Ⅰ) |
Axial eccentric direct type (Ⅱ) |
|
Axial concentric direct type (III) |
Axial eccentric insert type (IV) |
|
Axial concentric insertion type (V) |
Radial convex type (VI) |
|
Model Number |
Overall Dimensions (mm) |
|||||||
|
A |
B |
C |
D |
d0 |
d1 |
d2 |
M |
|
|
YLm60-Ⅰ |
56 |
33 |
11 |
Φ60 |
/ |
/ |
Φ5 |
M14×1.5 |
|
YLm60-Ⅱ |
61 |
32.5 |
18 |
Φ60 |
/ |
/ |
|
|
|
YLm60-Ⅲ |
61 |
32.5 |
/ |
Φ60 |
/ |
/ |
Φ5 |
M14×1.5 |
|
YLm60-Ⅳ |
55 |
32.5 |
18 |
Φ60 |
Φ5 |
Φ75 |
|
|
|
YLm60-Ⅴ |
55 |
32.5 |
/ |
Φ60 |
Φ5 |
Φ75 |
Φ5 |
M14×1.5 |
|
YLm60-Ⅵ |
56 |
33 |
11 |
Φ60 |
Φ5 |
Φ75 |
Φ5 |
M14×1.5 |
|
YLm100-Ⅰ |
90 |
48 |
15 |
Φ100 |
/ |
/ |
Φ6 |
M20×1.5 |
|
YLm100-Ⅱ |
83 |
44 |
34 |
Φ100 |
/ |
/ |
Φ6 |
M20×1.5 |
|
YLm100-Ⅳ |
68 |
44 |
34 |
Φ100 |
Φ6 |
Φ118 |
Φ6 |
M20×1.5 |
|
YLm100-Ⅵ |
90 |
48 |
15 |
Φ100 |
Φ6 |
Φ118 |
Φ6 |
M20×1.5 |
|
YLm150-Ⅰ |
117 |
51 |
16.5 |
Φ150 |
/ |
/ |
Φ6 |
M20×1.5 |
|
YLm150-Ⅱ |
92 |
52 |
55 |
Φ150 |
/ |
/ |
Φ6 |
M20×1.5 |
|
YLm150-Ⅳ |
69 |
52 |
55 |
Φ150 |
Φ6 |
Φ165 |
Φ6 |
M20×1.5 |
|
YLm150-Ⅵ |
117 |
53 |
28 |
Φ150 |
Φ6 |
Φ165 |
Φ6 |
M20×1.5 |
English
русский
Español
عربى

























