◆ Model: YC40 YC50 YC60 YC75 YC100 YC150
◆ Use: This series of instruments are suitable for measuring the pressure of liquid, gas, steam and other fluid media without explosion danger, crystallization or solidification on ships and related equipment.
This series of instruments have luminous type, in the main scale of the dial and the front end of the pointer is coated with active or passive permanent luminous agent, so the pressure value can be clearly read in the dark.
The shell of this series of instruments is fully sealed and has a certain resistance to seawater corrosion, thus protecting the internal components of the instrument from damage and corrosion by waves and seawater.
This series of instruments can also be filled with low-viscosity damping oil in the shell, with the ability to resist the vibration of the working environment caused by the bad weather in the sea and the medium pressure pulsation.
This series of instruments are mainly used in offshore shipping, offshore oil and gas fields, offshore drilling platforms, seabed mining, inland navigation and other industries.
◆ Technical Parameters:
|
Model Number |
YLm60 |
YLm100 |
YLm150 |
|
|
Nominal Diameter |
Φ60 |
Φ100 |
Φ150 |
|
|
Mounting Type |
Ⅰ |
* |
* |
* |
|
Ⅱ |
* |
* |
* |
|
|
Ⅲ |
* |
/ |
/ |
|
|
Ⅳ |
* |
* |
* |
|
|
Ⅴ |
* |
/ |
/ |
|
|
Ⅵ |
* |
* |
* |
|
|
Connector Thread |
M14×1.5 |
M20×1.5 |
||
|
Accuracy Class |
2.5 |
1.6 |
||
|
Measurement range (MPa) |
Vacant:-0.1~0 Pressure vacuum:-0.1~0.06 -0.1~0.15 -0.1~0.3 -0.1~0.5 -0.1~0.9 -0.1~1.5 -0.1~2.4 Pressure:0~0.1 0~0.16 0~0.25 0~0.4 0~0.6 0~1 0~1.6 0~2.5 0~4 0~6 0~10 0~16 0~25 0~40 0~60 0~100、0~160、0~250 |
|
Environmental conditions of use |
temp:-40℃~70℃ |
|
vibration rating |
normal type:V·H·3; Seismic type (liquid-filled type):V·H·4 |
|
Borden Tube Material |
QSn4-0.3、OCr18Ni12Mo2Ti |
|
Case and connector material |
1Cr18Ni9Ti;SUS304 |
|
protection class |
IP65 |
|
Implementation standards |
GB/T 1226;JB/T 6804 |
|
Note: 1. Joint threads can be customized according to user requirements. |
|
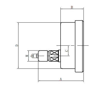
◆ External Dimensions:
|
Radial direct type (Ⅰ) |
Axial eccentric direct type (Ⅱ) |
|
Axial concentric direct type (III) |
Axial eccentric insert type (IV) |
|
Axial concentric insertion type (V) |
Radial convex type (VI) |
|
model number |
Overall dimensions (mm) |
|||||||
|
A |
B |
C |
D |
d0 |
d1 |
d2 |
M |
|
|
YC60-Ⅰ |
56 |
33 |
11 |
Φ60 |
/ |
/ |
Φ5 |
M14×1.5 |
|
YC60-Ⅱ |
61 |
32.5 |
18 |
Φ60 |
/ |
/ |
Φ5 |
|
|
YC60-Ⅲ |
61 |
32.5 |
/ |
Φ60 |
/ |
/ |
Φ5 |
M14×1.5 |
|
YC60-Ⅳ |
55 |
32.5 |
18 |
Φ60 |
Φ5 |
Φ75 |
Φ5 |
|
|
YC60-Ⅴ |
55 |
32.5 |
/ |
Φ60 |
Φ5 |
Φ75 |
Φ5 |
M14×1.5 |
|
YC60-Ⅵ |
56 |
33 |
11 |
Φ60 |
Φ5 |
Φ75 |
Φ5 |
M14×1.5 |
|
YC100-Ⅰ |
90 |
48 |
15 |
Φ100 |
/ |
/ |
Φ6 |
M20×1.5 |
|
YC100-Ⅱ |
83 |
44 |
34 |
Φ100 |
/ |
/ |
Φ6 |
M20×1.5 |
|
YC100-Ⅳ |
68 |
44 |
34 |
Φ100 |
Φ6 |
Φ118 |
Φ6 |
M20×1.5 |
|
YC100-Ⅵ |
90 |
48 |
15 |
Φ100 |
Φ6 |
Φ118 |
Φ6 |
M20×1.5 |
|
YC150-Ⅰ |
117 |
51 |
16.5 |
Φ150 |
/ |
/ |
Φ6 |
M20×1.5 |
|
YC150-Ⅱ |
92 |
52 |
55 |
Φ150 |
/ |
/ |
Φ6 |
M20×1.5 |
|
YC150-Ⅳ |
69 |
52 |
55 |
Φ150 |
Φ6 |
Φ165 |
Φ6 |
M20×1.5 |
|
YC150-Ⅵ |
117 |
53 |
28 |
Φ150 |
Φ6 |
Φ165 |
Φ6 |
M20×1.5 |
English
русский
Español
عربى

























